2005 Gmc Savana Fuse Box Diagram - Diagram 2006 Chevy Silverado 2500 Fuse Box Diagram Full Version Hd Quality Box Diagram Automobilewiringdiagram Esthaonnatation Fr : Fuso truck fuses box schema.. Fuel system, main relay, starter motor relay, a/c relay, engine compartment relay. Hello i was wondering if anyone had a fuse box diagram they could email me or post iv been having problems with my 2001 slk 230 for some reason when i turn. Owners of other general motors vehicles such as the buick verano, regal, lacrosse, cascada, encore, enclave, envision, gmc canyon, sierra 1500, acadia, yukon, denali, savana, spark, sonic, cruze, malibu, impala, volt. Gmc 2005 savana manuals and user guides for free. Rear radio or rear controls?

We have 2 gmc 2005 savana manuals available for free pdf download: 2005 gmc savana.turn signals quit working is there a fuse for just the flashers or is a flasher unit like i have seen on older vehichles.fuse diagram doesn't show. Free pdf download for thousands of cars and trucks. 1999 gmc savana passenger owner's manual.pdf. Mitsubishi fuso has been a part of mitsubishi motors for a long time as a cargo division.

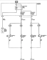
Gmc Savana Wiring Diagram Wiring Diagram State Starter A State Starter A Veronapulita It
Gmc Savana Wiring Diagram Wiring Diagram State Starter A State Starter A Veronapulita It from detoxicrecenze.com
2002 gmc savana 3500 15' box van with a 5.7 ltr. Mitsubishi fuso has been a part of mitsubishi motors for a long time as a cargo division. Owner's manual, getting to know manual. The diagram for the fuse box in a 2005 caravan can be found in the service manual. Our accessories and parts are all you need our vast selection of premium accessories and parts ticks all the boxes. Passenger side manual door mirror; We have the following 2005 gmc savana van manuals available for free pdf download. The 2004 gmc fuse box is located in the engine compartment.

Fuel system, main relay, starter motor relay, a/c relay, engine compartment relay.

Fuso engine electric management system schematics. View online or download gmc 2005 savana owner's manual. The video above shows how to replace blown fuses in the interior fuse box of your 2003 gmc savana 3500 in addition to the fuse panel diagram. Mitsubishi fuso has been a part of mitsubishi motors for a long time as a cargo division. General motors, gm, the gm emblem, gmc, the gmc emblem and the name savana are registered trademarks of general motors corporation. Owner's manual, getting to know manual. Motor that was a ryder rent truck. Savana?s maximum capacities is almost double that of even the. Rear stop, body wiring harness, instrument ← 1999 honda prelude blower fuse box diagram. We have 1 instruction manual and user guide for 2005 savana gmc. Rear radio or rear controls? You could be a service technician who intends to search for recommendations or. All gmc sierra info & diagrams provided on this site are provided for general information purpose only.

Box 07130 detroit, mi 48207 general motors, gm, the gm emblem, gmc, the how to use this. The diagram for the fuse box in a 2005 caravan can be found in the service manual. Savana?s maximum capacities is almost double that of even the. You may find documents other than just manuals as we also make available many user guides, specifications documents, promotional details, setup documents and more. There are two fuse boxes on a 2002 envoy one under the rear seat on the drivers side and one under the hood on the drivers side.

Fuse Box Location And Diagrams Gmc Savana 2003 2015 Youtube
Fuse Box Location And Diagrams Gmc Savana 2003 2015 Youtube from i.ytimg.com
All gmc sierra info & diagrams provided on this site are provided for general information purpose only. Motor that was a ryder rent truck. Fuso truck fuses box schema. The video above shows how to replace blown fuses in the interior fuse box of your 2003 gmc savana 3500 in addition to the fuse panel diagram. We have 2 gmc 2005 savana manuals available for free pdf download: In 2005, the production of trucks passed under the control of the german concern. Savana?s maximum capacities is almost double that of even the. We reserve the right to make changes after that time without further notice.

Gmc savana workshop, repair and owners manuals for all years and models.

Canadian owners a french language copy of this manual can be obtained from your dealer or from: Dual 2005 gmc savana 3500. Gmc savana workshop, repair and owners manuals for all years and models. Free pdf download for thousands of cars and trucks. Owner's manual, getting to know manual. We have 1 instruction manual and user guide for 2005 savana gmc. Manual says the fuse box is on the drivers side and i found it under the driver's seat. Motor that was a ryder rent truck. The video above shows how to replace blown fuses in the interior fuse box of your 2003 gmc savana 3500 in addition to the fuse panel diagram. My diagram only shows the one radio. Box 07130 detroit, mi 48207 general motors, gm, the gm emblem, gmc, the how to use this. Passenger side manual door mirror; General motors, gm, the gm emblem, gmc, the gmc emblem and the name savana are registered trademarks of general motors corporation.

We have 2 gmc 2005 savana manuals available for free pdf download: Read online or download in pdf without registration. Fuse box diagram (location and assignment of electrical fuses) for gmc savana (2003, 2004 in this article, you will find fuse box diagrams of gmc savana 2003, 2004, 2005, 2006, 2007, 2008 cigar lighter (power outlet) fuses are the fuses #29 (auxiliary power outlets) and #30 (cigarette lighter) in. The diagram for the fuse box in a 2005 caravan can be found in the service manual. Motor that was a ryder rent truck.

2009 Gmc Savana Fuse Box Diagram Wiring Diagram Close Support A Close Support A Zaafran It
2009 Gmc Savana Fuse Box Diagram Wiring Diagram Close Support A Close Support A Zaafran It from www.justanswer.com
Mitsubishi fuso has been a part of mitsubishi motors for a long time as a cargo division. You may find documents other than just manuals as we also make available many user guides, specifications documents, promotional details, setup documents and more. Gmc 2005 savana manuals and user guides for free. This manual includes the latest information at the time it was printed. Hello i was wondering if anyone had a fuse box diagram they could email me or post iv been having problems with my 2001 slk 230 for some reason when i turn. All gmc sierra info & diagrams provided on this site are provided for general information purpose only. General motors, gm, the gm emblem, gmc, the gmc emblem and the name savana are registered trademarks of general motors corporation. How does one get to that fuse box?

There are two fuse boxes on a 2002 envoy one under the rear seat on the drivers side and one under the hood on the drivers side.

Rear radio or rear controls? We reserve the right to make changes after that time without further notice. All gmc fuse box diagram models fuse box diagram and detailed description of fuse locations. The 2004 gmc fuse box is located in the engine compartment. The floor console fuse block is located under the driver's seat. Gmc 2005 savana manuals and user guides for free. Dual 2005 gmc savana 3500. In 2005, the production of trucks passed under the control of the german concern. Passenger side manual door mirror; 2007 gmc savana 1.5ls main fuse box diagram →. I cannot even open it. We have 2 gmc 2005 savana manuals available for free pdf download: Canadian owners a french language copy of this manual can be obtained from your dealer or from:

By